icpcon.i7017
Mодуль аналогового ввода I-7017 (IcpCon) - 8-канальный модуль изолированного аналогового ввода (8 дифференциальных или 6 дифференциальных + 2 несимметричных) по току и напряжению.
Используемый протокол - DCON.
Для работы с модулем необходимо выполнить предварительную его настройку в соответствии с прилагаемой инструкцией производителя.
http://ftp.icpdas.com/pub/cd/8000cd/napdos/7000/manual/7017-18-19_english.pdf
Настройка I-7017
Для работы модуля в режиме токового ввода (от -20мА до +20мА) с адресом 1 на скорости 9600 бод необходимо выполнить следующие действия:
- Соединить Init c Gnd. Сбросить и включить снова питание модуля.
- Через терминал на скорости 9600 подать команду: %00010D06C2
- Отсоединить Init, сбросить питание.
При использовании нагрузочного резистора 80.4 Ом будут следующие показания:
| Устновленный ток | Измеренный ток | Измеренный ток |
|---|---|---|
| I-7024 | UT33D | I-7017 |
| 4000 | 3900 | 4194 |
| 20000 | 19800 | 21007 |
Значения, считываемые модулем I-7017 при различных R
| мА | (R=125) | (R=41) | (R=80) | R |
|---|---|---|---|---|
| 4 | 6554 | 2150 | 4195 | 6554*R/125 |
| 20 | 32767 | 10748 | 20917 | 32767*R/125 |
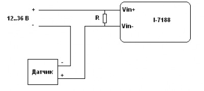
Подключение датчиков
yml
plugin.peripherial: module.icp1: portnum: 2 netaddr: 1 enable: on type: icpcon.i7017 nominus: off noscale: off
Дополнительные параметры
| nominus | отрицательные значения зануляются для тега inp.value |
| noscale | не использовать масштабирование. Если включено, то inp.s1, inps2, inp.v1, inp.v2, inp.scaled не появляются |
Теги
inp0.v1 - исходное значение 1 inp0.s1 - требуемое значение 1 inp0.v2 - исходное значение 2 inp0.s2 - требуемое значение 2 inp0.scaled - преобразованное значение inp0.value - значение без преобразования ...аналогично для остальных каналов (7-ой последний)
