Настройка NexCom Nise для (устарело)
Проверено на оборудовании:
- NISE-104, 4Gb RAM, 500Gb Hitachi HDD
- NISE-105, 2Gb, 60Gb SSD Kingstone
iso
Для NISE 105(A) в спецификации указана совместимость с linux kernel 3.8.0. Последний LTS Ubuntu, не превышающий данную версию ядра, является 12.04:
http://old-releases.ubuntu.com/releases/12.04.4/ubuntu-12.04-server-amd64.iso
Более свежие версии на последних найсах не работают.
установка
bios mode
Если bios компьютера позволяет, лучше использовать этот режим:
- запускаем установку ubuntu server:
- создать разделы - manual:
- 31Gb - ext2, загрузочный, noatime, nodiratime, '/'
- 32Gb - ext2, noatime, nodiratime, '/data'
- 1Gb - swap
- указать имя компьютера
jrobo - указать пользователя
jroboс паролемjradmin - остальное оставить по умолчанию
uefi mode
Новые компьютеры могут иметь только uefi, поэтому:
- запускаем установку ubuntu server:
- создаем разделы - use entire disk (не lvm!!!)
- указать имя компьютера
jrobo - указать пользователя
jroboс паролемjradmin - остальное оставить по умолчанию
- загружаемся с ubuntu live CD и запускаем GParted
- делаем resize самого большого диска - уменьшаем на половину
- создаем новый диск из освободившегося места, ext2
- загружаемся в установленную систему:
- выполнить:
sudo blkid sudo mcedit /etc/fstab
- добавить строку, вставив полученный uuid:
UUID=e1ee7e7a-76f7-424c-845c-1c1c5a146ffd /data ext2 noatime,nodiratime 0 2
apt-get update
sudo apt-get update
Если есть ошибки типа:
W: Failed to fetch ..... Hash Sum mismatch
то выполнить:
sudo rm -rf /var/lib/apt/lists/* sudo apt-get update
disable auto upgrade
sudo dpkg-reconfigure -plow unattended-upgrades
mc
sudo apt-get install mc
swappiness
sudo mcedit /etc/sysctl.conf
Добавить:
vm.swappiness=0
network
Рекоммендуемое распределение сетевых адресов:
- plc - 192.168.2.210..214
- server - 192.168.2.215..219
- конверторы - 192.168.2.221..254
Варианты именования сетевых адаптеров в NISE:
- eth0, eth1
- p4p1, p1p1
- enp1s0, enp2s0
sudo mcedit /etc/network/interfaces
auto lo iface lo inet loopback # enterprise network auto p4p1 iface p4p1 inet dhcp # plc network auto p1p1 iface p1p1 inet static address 192.168.127.1 netmask 255.255.255.0 broadcast 255.255.255.255 network 192.168.0.0 # gateway 192.168.2.1 # dns-nameservers 192.168.2.1 8.8.8.8
Если не работает инет, правим ресолвер, иначе можно не закачать пакеты
echo "nameserver 8.8.8.8" | sudo tee /etc/resolv.conf > /dev/null
или
echo "nameserver 8.8.8.8" | sudo tee /etc/resolvconf/resolv.conf.d/base > /dev/null sudo resolvconf -u
netplan
Для ubuntu 18.04 нстройка сети через netplan.
sudo mcedit /etc/netplan/50-cloud-init.yaml
network: ethernets: enp1s0: dhcp4: no dhcp6: no addresses: [192.168.2.210/24] gateway4: 192.168.2.1 nameservers: addresses: [8.8.8.8, 8.8.4.4] optional: true enp2s0: dhcp4: true optional: true version: 2
отвязка от mac-адресов
При переносе HDD с одного компьютера nise на другой сетевые адаптеры не подымутся из-за привязки к мак-адресам старого железа.
ifconfig -a
Для отвязки нужно закоментить все в файле:
/etc/udev/rules.d/70-persistent-net.rules
ssh
sudo apt-get install ssh
/etc/ssh/sshd_config:
PermitRootLogin no AuthorizedKeysFile %h/.ssh/authorized_keys
sudo service ssh restart
On client's side:
ssh-keygen -t rsa (empty answer for every question) ssh-copy-id "server_user_name@server_ip_address" ssh "server_user_name@server_ip_address"
Если не получилось (Agent admitted failure to sign using the key)? пробуем в таком виде
SSH_AUTH_SOCK=0 ssh "server_user_name@server_ip_address"
rlwrap
Usefull when working via telnet (Ctrl-Z for exit):
sudo apt-get install rlwrap rlwrap telnet localhost 30001
locales
locale -a sudo locale-gen ru_RU sudo locale-gen ru_RU.UTF-8 sudo update-locale sudo dpkg-reconfigure locales
<html> <!–
overlayroot
Не использовать.
Устарело. –> </html>
dialout
Если используются родные порты компьютера:
sudo usermod -a -G dialout jrobo sudo reboot
<html><!–
nport driver
http://www.prom-auto.ru/download/driver/moxa/nport/npreal2_1.18.51_build_15051816.tgz
Требуется для сборки:
sudo apt-get install gcc make build-essential linux-headers-$(uname -r)
Распаковать и запустить:
/opt/moxa/kernel3.x/mxinst
Добавть tty порты:
/usr/lib/npreal2/driver/mxaddsvr 192.168.2.186 2
–></html>
java
- скачать jdk8 с http://oracle.com
- распаковать как есть в
/usr/lib/jvm - переименовать в
java-8-oracle(или сделать symlink)
<html> <!– Recommended method:
sudo add-apt-repository ppa:webupd8team/java sudo apt-get update sudo apt-get install oracle-java8-installer sudo update-alternatives --config java
Optional method:
- в /etc/environment:
PATH="/usr/local/sbin:/usr/local/bin:/usr/sbin:/usr/bin:/sbin:/bin:/usr/lib/jvm/jre/bin" JAVA_HOME="/usr/lib/jvm/jre"
jroboplc daemon
- установить sysv-rc-conf
sudo apt-get install sysv-rc-conf
- скопировать jroboplc в
/promauto/jroboplc - настроить
jroboplc/daemon/daemon.opt - запустить
jroboplc/daemon/ubuntu.daemon.install
Использование:
sudo service jroboplc start sudo service jroboplc stop sudo service jroboplc status
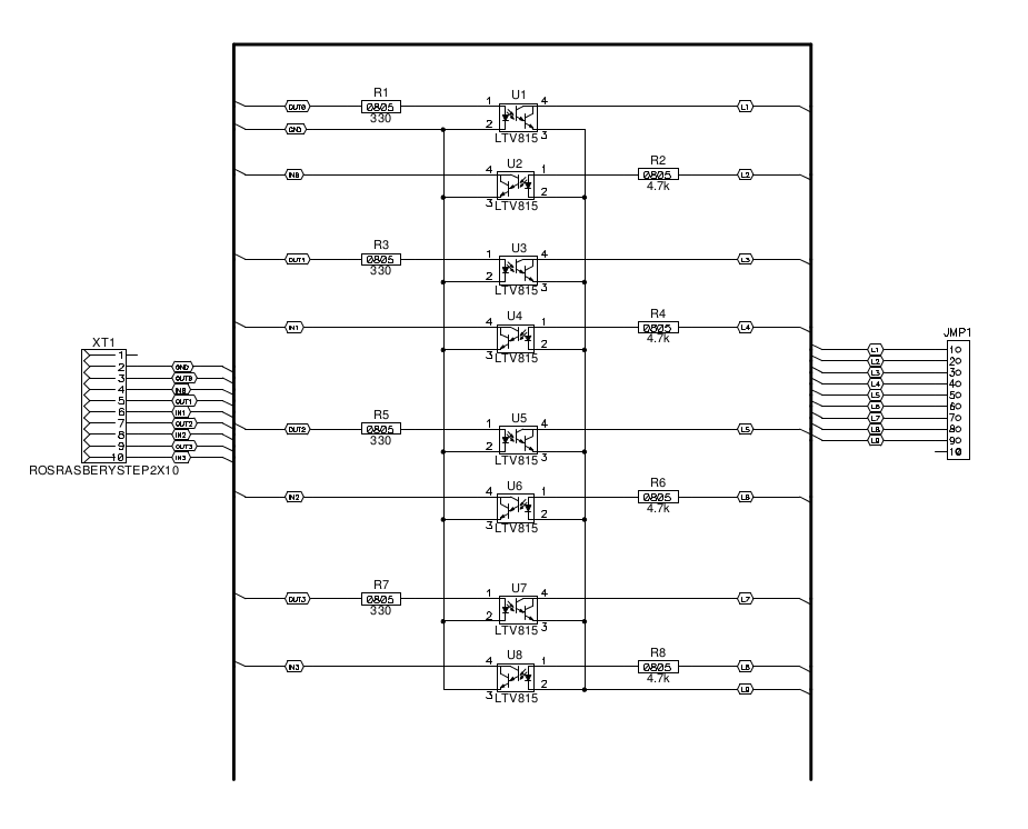
gpio adapter
Плата адаптера в Nise устанавливается на GPIO Pin Header JP13 и соединяется с разъемом DB25M (папа), который устанавливается в Optional I/F отверстие.
ВНИМАНИЕ!!! “сверху” на плате стоят оптроны, разъем снизу!!!.
| JMP1 | DB25M | Назначение |
|---|---|---|
| 1 | 1 | Out1 |
| 2 | 2 | In1 |
| 3 | 3 | Out2 |
| 4 | 4 | In2 |
| 5 | 5 | Out3 |
| 6 | 6 | In3 |
| 7 | 7 | Out4 |
| 8 | 8 | In4 |
| 9 | 13 | GND |
| 10 | - | не используется |
Внимание: Для работы в стандартном шкафу ПЛК достачно использовать Out1, In1 и GND (выделено жирным в таблице). Остальное не паять. Паять только то, что обведено красным на печатной плате.
–></html>



