Контроллер UPS "Beeper"
Устаревшее устройство!
Рекомендуется использовать UPS Nano последней версии.
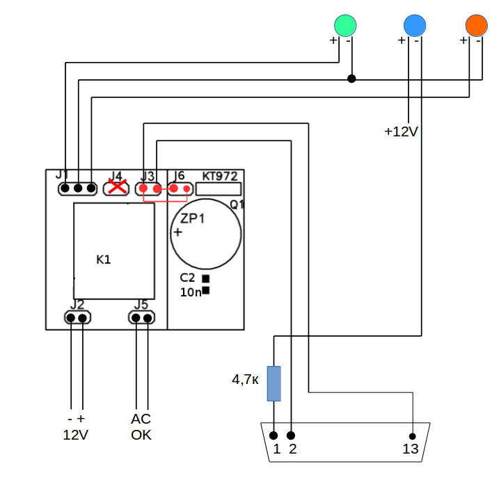
| Разъем | Назначение |
|---|---|
| J1 | Светодиоды: 1-PowerLed, 2-GND, 3-BatteryLed |
| J2 | Вход питания: 1-Gnd, 2-+12V |
| J3 | Выход, работающий при AC=off: 1-Gnd, 2-+12V |
| J4 | Выход, работающий при AC=on: 1-Gnd, 2-+12V |
| J5 | Вход AC, сухой контакт |
| J6 | Вход питания пищалки (соединить с J3): 1-Gnd, 2-+12V |
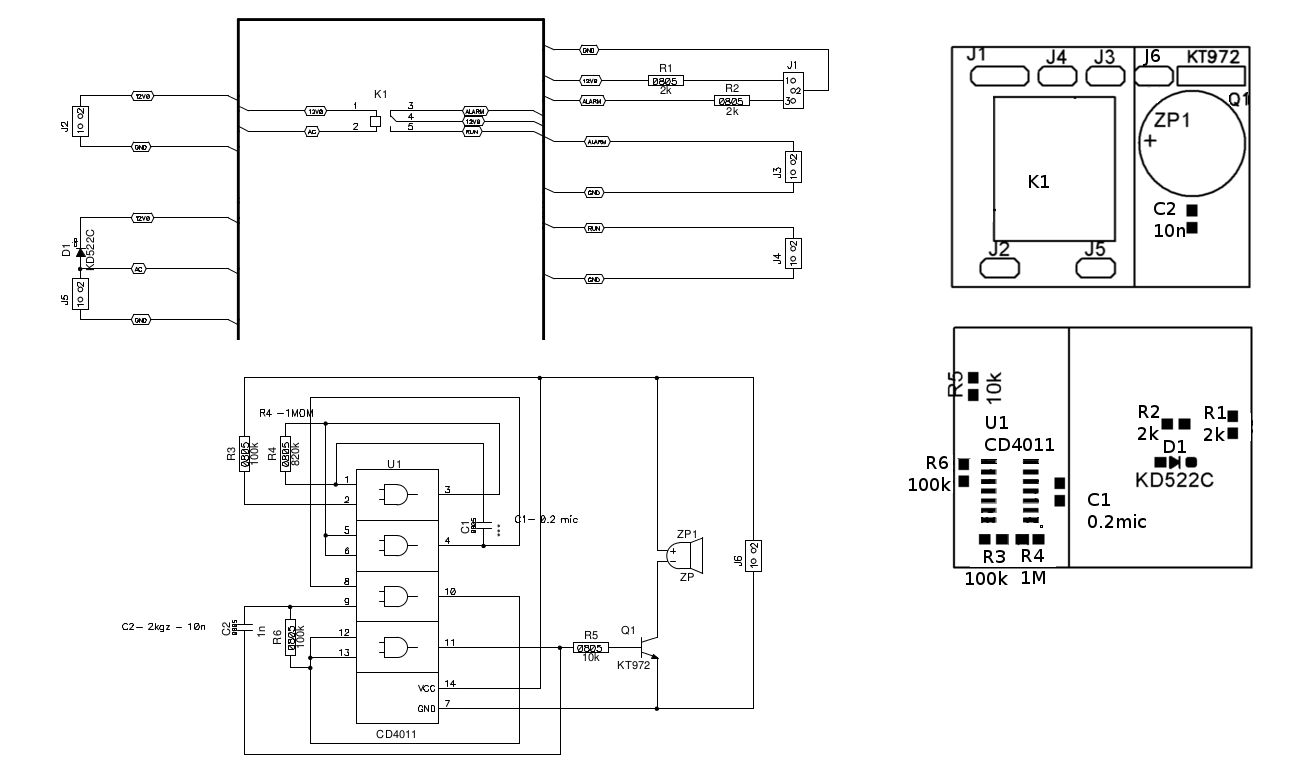
Внимание! На плате не правильная маркировка. Расположение деталей смотреть по схеме.

